v
     Friday, April 3, 2026     
     Serving the Electronic Industries for Over 33 Years
Potter & Brumfield Tyco  Relays & Socket Logo
Nte Relays, Capacitors, Resistors, & Pot Trims logo
Velleman metter and eletronic kits logo
Littelfuse Fuses Logo
     Electronic Components Distributor Logo                        
 Home
  |  View Account   |    Engineer's Corner    |  Contact Us  |  Cross Reference  |  Line Card  |  0 Item
Part Search
NTE Cross Ref. Search
Login
SRI Live Chat Help
call us email us contact us

Product Links

Inside SRI

About SRI
Contact Us
Careers
Link to Us!
Feedback

SRI-Newsletter
Subscribe to our newsletter to receive monthly specials, manufacturer's feature, and electronics news via email.

See Our latest release of SRI-Newsletter here

View Our List of Archived Newsletter Articles


SRI Links

Visit our Sister Site,

Distributor of

Industrial Products

  Web Search ..
  Powered by;

 PC Mount Relays, R732 Series

R73 Series
Subminiature, PC Mount, 10 Amp, SPST-NO & SPDT Relay, for Security and Telecommunication Equipment

 Features
  • Small Size
  • Epoxy Sealed
  • Standard Pin Spacing
  • Latching Type
  • Electrical Characteristics Contact
    Rating: 10 Amp at 120VAC/28VDC
    Material: Silver Cadmium Oxide
    Resistance: 0.05 Ohm (At Nominal Conditions)

    Coil
    Coil Voltages: See Chart
    Pick-up Voltages: 70% max of rated voltage
    Drop-out Voltages: 10% min of rated voltage
    Resistance: See chart

    Operational Characteristics
    Timing Values:
                 Operate Time: 5mS max
                 Release Time: 10mS max

    Insulation Characteristics
    Dielectric Strength:
                 Between Contact & Coil: 1500 VAC
                 Between Contacts: 750 VAC
    Insulation Resistance: 100 megohms

    Environmental Characteristics
    Operating: -55°C to +85°C

    Life
    Mechanical: 100,000 operations
    Electrical: 10,000,000 operations

    Weight
    Std: 0.39 ozs. (11 grams) - approx

    Back to Top

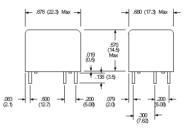
    Dimensional Drawings

    D49 Contact Arrangment

    SPST-NO, 1 Form "A"
    SPDT, 1 Form "C"
    Mounting Holes (Bottom View)

    Back to Top

    Part Numbers
    DC OPERATED
    NTE Type No. Nom.
    Volt.
    Contact
    Arr.
    Coil
    Res.
    ±10%
    Ohms
    (Typ)
    Approx.
    Nom.
    Power
    Max.
    Contact
    Cur, @
    28VDC
    or
    120VAC
    Diag.
    No.
    R73-1D10-3 3VDC SPST-NO 20 450mW 10A D49
    R73-1D10-5/6 6VDC SPST-NO 80 450mW 10A D49
    R73-1D10-12 12VDC SPST-NO 320 450mW 10A D49
    R73-1D10-24 24VDC SPST-NO 1280 450mW 10A D49
    R73-5D10-3 3VDC SPDT 20 450mW 10A D49
    R73-5D10-5/6 6VDC SPDT 80 450mW 10A D49
    R73-5D10-12 12VDC SPDT 320 450mW 10A D49
    R73-5D10-24 24VDC SPDT 1280 450mW 10A D49

    Back to Top


    **Specifications subject to changes**
    [Go to Search] [Back]


    Page Links

    Electrical Characteristics

    Dimensional Drawings

    Part Numbering



    Back