Thursday, April 9, 2026     
     Serving the Electronic Industries for Over 33 Years
Russellstoll interconnect connectors plugs and receptacles logo
Bourns Potentiometers logo
Velleman metter and eletronic kits logo
Littelfuse Fuses Logo
     Electronic Components Distributor Logo                        
 Home
  |  View Account   |    Engineer's Corner    |  Contact Us  |  Cross Reference  |  Line Card  |  0 Item
Part Search
NTE Cross Ref. Search
Login
SRI Live Chat Help
call us email us contact us

Product Links

Inside SRI

About SRI
Contact Us
Careers
Link to Us!
Feedback

SRI-Newsletter
Subscribe to our newsletter to receive monthly specials, manufacturer's feature, and electronics news via email.

See Our latest release of SRI-Newsletter here

View Our List of Archived Newsletter Articles


SRI Links

Visit our Sister Site,

Distributor of

Industrial Products

  Web Search ..
  Powered by;

 Reed Relays, R44 Series

R44 Series
General Purpose, SPST & DPST,
DC Reed Relays

 Features
  • 10 Watt contact rating
  • Standard 0.1" PC board spacing
  • Epoxy sealed
  • TTL & DTL compatible
  • Electrical Characteristics Contact
    Contact Rating: 0.5 Amp switching current max.
    2.0 Amp carry current max.
    200 VDC switching volts max.
    Contact Resistance: 200 milliohms max. initial

    Coil
    Coil Voltages: See Chart

    Operational Characteristics
    Timing Value:
                 Operate Time: 500 µS typical
                 Release Time: 1400 µS typical

    Insulation Characteristics
    Dielectric Strength:
                 Across Open Contacts: 200 VAC min
                 Between Mutually Insulated Points: 500 VAC min

    Environmental Characteristics
    Operating: -45°C to +85°C
    Storage: -60°C to +105°C

    Capacitance
    Across Open Contacts: 0.3pF typ
    Open Contacts to Coil: 2.0pF typ

    Life
    Mechanical: 10,000,000 operations at rated load

    Back to Top

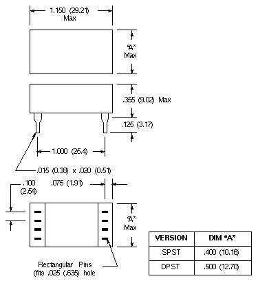
    Dimensional Drawings

    D21

    Contact Arrangment

    SPST, 1 Form "A"
    DPST, 2 Form "A"

    Back to Top

    Part Numbers
    DC OPERATED
    NTE Type No. Nom.
    Voltage
    Contact
    Arr.
    Coil
    Res.
    Ohms
    Typ
    Nom.
    Power
    Max.
    Contact
    Diag.
    No.
    R44-1D2-6 5/6VDC SPST-NO 100 360mW 0.5A D21
    R44-1D2-12 12VDC SPST-NO 420 360mW 0.5A D21
    R44-1D2-24 24VDC SPST-NO 2300 360mW 0.5A D21
    R44-11D2-12 12VDC DPST-NO 280 510mW 0.5A D21
    R44-11D2-24 24VDC DPST-NO 1500 510mW 0.5A D21

    Back to Top


    **Specifications subject to changes**
    [Go to Search] [Back]


    Page Links

    Electrical Characteristics

    Dimensional Drawings

    Part Numbering



    Back