Friday, April 3, 2026     
     Serving the Electronic Industries for Over 33 Years
Russellstoll interconnect connectors plugs and receptacles logo
Bourns Potentiometers logo
nichifu Solderless Terminal & Connectors Logo
Nemco Capactitors Loco
     Electronic Components Distributor Logo                        
 Home
  |  View Account   |    Engineer's Corner    |  Contact Us  |  Cross Reference  |  Line Card  |  0 Item
Part Search
NTE Cross Ref. Search
Login
SRI Live Chat Help
call us email us contact us

Product Links

Inside SRI

About SRI
Contact Us
Careers
Link to Us!
Feedback

SRI-Newsletter
Subscribe to our newsletter to receive monthly specials, manufacturer's feature, and electronics news via email.

See Our latest release of SRI-Newsletter here

View Our List of Archived Newsletter Articles


SRI Links

Visit our Sister Site,

Distributor of

Industrial Products

  Web Search ..
  Powered by;

R40 Series
DPDT, 2 Amp, Sensitive Coil, Single Contact PC Mountable Relays for use in Telecommunications, Computer Peripherals, and Security Equipment

 Features
  • Ultra-sensitive coil
  • Epoxy sealed
  • Standard 0.1" DIP terminals
  • FCC Pt.68
  • Electrical Characteristics Contact
    Contact Rating: 2 Amp @ 120 VAC, 28 VDC
    Contact Material: Gold Clad Palladium Rutenium Alloy
    Contact Resistance: 100M Ohms Max.

    Coil
    Coil Voltages: See Chart
    Pick-up Voltages: 70% of rated voltage
    Drop-out Voltage: 5% of rated voltage
    Max Allowable Voltage: 250% of rated voltage

    Operational Characteristics
    Timing Value:
                 Operate Time: 4.5 mS Approx.
                 Release Time: 1.5 mS Approx.
                 Bounce Time: 0.5 to 3.5 mS Approx.

    Insulation Characteristics
    Dielectric Strength:
                 Contact to Coil: 1000 VRMS
                 Across Open Contacts: 1000 VRMS
                 Insulation Resistance: 100M Ohms min. @ 500 VDC

    Environmental Characteristics
    Operating: -40°C to +65°C
    Mechanical Life: 20,000,000 operations min
    Electrical Life: 300,000 @ 2A, 30 VDC
    Electrical Life: 500,000 @ 0.5A, 120 VAC

    Weight
    Std: 6 grams - approx.

    Back to Top

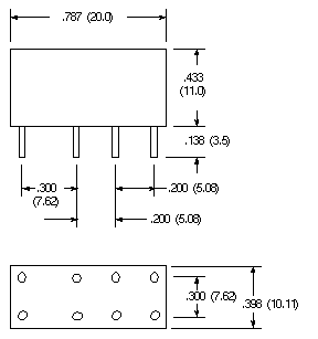
    Dimensional Drawings

    D34 Contact Arrangment

    DPDT, 2 Form "C"

    Back to Top

    Part Numbers
    DC OPERATED
    NTE Type No. Nom.
    Voltage
    Contact
    Arr.
    Coil
    Res.
    Ohms
    Typ
    Nom.
    Power
    Max.
    Contact
    Cur. @
    28VDC
    or
    120VAC
    Diag.
    No.
    R40-11D2-5/6 5/6VDC DPDT 167 150mW 2A D34
    R40-11D2-12 12VDC DPDT 980 150mW 2A D34
    R40-11D2-24 24VDC DPDT 2880 200mW 2A D34
    R40-11D2-48 48VDC DPDT 7680 200mW 2A D34

    ACCESSORIES
    Mounting Styles Description NTE Type No.
    DIP PC Mount 16-Lead DIP NTE416
    Wire Wrap Leads 16-Lead DIP NTE436W16

    Back to Top


    **Specifications subject to changes**
    [Go to Search] [Back]


    Page Links

    Electrical Characteristics

    Dimensional Drawings

    Part Numbering



    Back