Coil
Coil Voltages: See Chart
Pick-up Voltages: 80% max of nom voltage or less @ +25°C
Drop-out Voltages: 10% min of actual pull-in (min)
Resistance: See chart
Min Sensitivity: 400mW
Nominal Power: 600mW
Operational Characteristics
Timing Values:
Operate Time: Approx 6mS (V Suffix)
Operate Time: Approx 10mS (FP Suffix)
Release Time: Approx 2mS (V Suffix)
Release Time: Approx 15mS (FP Suffix)
Max Switching Rate: 5 operations per second
Insulation Characteristics
Dielectric Strength:
Contact to Coil: 4000 VRMS
Across Open Contacts: 1000 VRMS
Resistance
Contact to Coil/Frame: 1000 Megohms min.
Across Open Contacts: 500 Megohms min.
Coil to Frame: 1000 Megohms min.
Environmental Characteristics
Operating: -40°C to +70°C
Life
Mechanical: 5 x 106 operations min
Weight
Std: 15 grams approx.
Back to Top

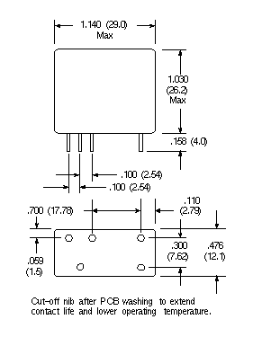
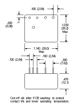
Dimensional Drawings
D15a
D15b
Contact Arrangment