Saturday, April 4, 2026     
     Serving the Electronic Industries for Over 33 Years
Meltric interconnect Multi-pins connectors plugs and receptacles logo
Nte Relays, Capacitors, Resistors, & Pot Trims logo
Ditek Surge Protection logo
Sycom Surge Suppression Devices& UPS
     Electronic Components Distributor Logo                        
 Home
  |  View Account   |    Engineer's Corner    |  Contact Us  |  Cross Reference  |  Line Card  |  0 Item
Part Search
NTE Cross Ref. Search
Login
SRI Live Chat Help
call us email us contact us

Product Links

Inside SRI

About SRI
Contact Us
Careers
Link to Us!
Feedback

SRI-Newsletter
Subscribe to our newsletter to receive monthly specials, manufacturer's feature, and electronics news via email.

See Our latest release of SRI-Newsletter here

View Our List of Archived Newsletter Articles


SRI Links

Visit our Sister Site,

Distributor of

Industrial Products

  Web Search ..
  Powered by;

 Pin Receptacles
Pin Receptacles for .025-.032 dia. Pins & .025 Sq. Post
 SPECIFICATIONS
Terminal Material: Brass Alloy 360, 1/2 Hard Contact Material: Beryllium Copper Alloy 172 HT
Tolerances:
   Lengths - ±.005
   Diameters - ±.002
   Angles - 2° Note: All dimensions are in inches
Part Builder and Ordering Information
                    
FP4049 -  X -   XX XX -   XX
     
Series Pin length
"A"
    Terminal
Plating
  Contact
Type
Contact
Plating
FP4049
FP4050
FP4051
FP4052
FP4053
FP4054
FP4055
FP4056
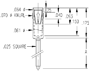
FP4057
FP4058
FP4059
FP4061
FP4071
FP4115
FP4116
FP4117
FP4282
see specs below     01 - 200u" Tin over 100u"
Nickel
02 - 10u" Gold over 100u" Nickel
03 - 30u" Gold over 100u" Nickel
04 - 50u" Gold over 100u" Nickel
    57
48
See contact type
11 - 150u" Tin over 50u" Nickel
12 - 10u" Gold over 50u" Nickel
13 - 30u" Gold over 50u" Nickel
14 - 50u" Gold over 50u" Nickel
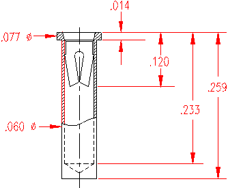
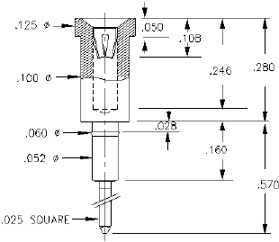
4049

.063 Min. Mtg. Hole
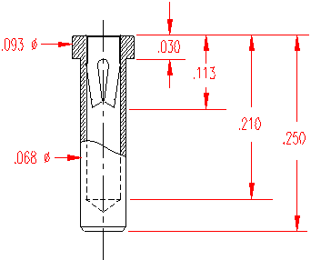
4050

.071 Min. Mtg. Hole
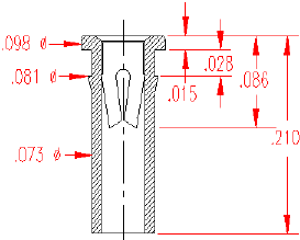
4051

.076 Min. Mtg. Hole
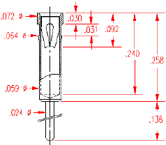
4052

.067 Min Mtg. Hole
4054

P/N      A
-----------
4054-1 .353
-----------
4054-2 .333
-----------
4054-3 .413

.067 Min. Mtg. Hole
4055

P/N    Board Thk   A
---------------------
4055-1    .031   .051
---------------------
4055-2    .062   .082
---------------------
4055-3    .094   .113
---------------------
4055-4    .125   .145

Swage Mount in .060 Hole
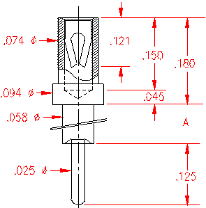
4282

Press-fit in .078 Mtg. Hole
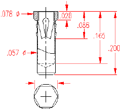
>4117

.057 Min. Mtg. Hole
4115

P/N      A
-----------
4115-1 .370
-----------
4115-2 .430


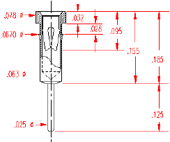
.067 Min. Mtg. Hole
4116

.079 Min Mtg. Hole
4057

.061 Min. Mtg. Hole
4058

.061 Mtg. Hole
4059

.061 Min. Mtg. Hole
4061

.067 Min. Mtg. Hole
4271

Hex Press-fit in .061 Min. Mtg. Hole

**Specifications subject to changes**
[Go to Search] [Back]