Saturday, April 4, 2026     
     Serving the Electronic Industries for Over 33 Years
Viking Multi-Pins plugs receptacles Logo
Frontline Switches products page
nichifu Solderless Terminal & Connectors Logo
Littelfuse Fuses Logo
     Electronic Components Distributor Logo                        
 Home
  |  View Account   |    Engineer's Corner    |  Contact Us  |  Cross Reference  |  Line Card  |  0 Item
Part Search
NTE Cross Ref. Search
Login
SRI Live Chat Help
call us email us contact us

Product Links

Inside SRI

About SRI
Contact Us
Careers
Link to Us!
Feedback

SRI-Newsletter
Subscribe to our newsletter to receive monthly specials, manufacturer's feature, and electronics news via email.

See Our latest release of SRI-Newsletter here

View Our List of Archived Newsletter Articles


SRI Links

Visit our Sister Site,

Distributor of

Industrial Products

  Web Search ..
  Powered by;

 100 Series DIP Sockets
Low Cost Dip Socket
 Features
  • Low profile and dual beam contacts
  • Contact overstress protection
  • >Dual Wipe contacts
  • Retention tail version prevents lifting of the socket during soldering
  • Specifications

    Material
    Insulator . . . . . . Glass filled polyester Rated 94V-0
    Contact . . . . . . Phosphor bronze (see plating options below)

    Electrical
    Current rating . . . . . . 1amp min
    Contact resistance . . . . . . 10 milliohms typ
    Insulation resistance . . . . . . 1000 megohm min

    Mechanical
    Insertion force . . . . . . 2 N max
    Withdrawal force . . . . . . 0.5 N min
    Contact life . . . . . . min. 50 cycles
    Operating temp . . . . . . -50° C to +125° C


    Pins
    A
    B
    Pins
    A
    B
    6
    7.49/.295"
    7.62/.300"
    24
    30.35/1.195"
    15.24/.600"
    8
    10.03/.795"
    7.62/.300"
    28
    35.43/1.395"
    7.62/.300"
    14
    17.65/.695"
    7.62/.300"
    28
    35.43/1.395"
    15.24/.600"
    16
    20.19/.795"
    7.62/.300"
    32
    40.51/1.595"
    15.24/.600"
    18
    22.73/.895"
    7.62/.300"
    40
    50.67/1.995"
    15.24/.600"
    20
    25.27/.995"
    7.62/.300"
    42
    53.21/2.095"
    15.24/.600"
    24
    30.35/1.195"
    7.62/.300"
    48
    60.83/2.395"
    15.24/.600"

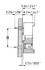
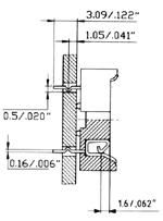
    STRAIGHT CONTACT
    RETENTION CONTACT


    Part Builder and Ordering Information
    100

    100 08 -   3 T -   1
         
    Series Number of
    Positions
        Dip
    Spacing
      Plating Contact
    100 06
    08
    14
    16
    18
    20
    24
    28
    32
    40
    42
    48
        3 = 7.62/.300"
    6 = 15.24/.600"
          T = Tin
    G = Gold
    0 = Straight
    1 = Retention


    **Specifications subject to changes**
    [
    Go to Search] [Back]


    Page Links

    Part Numbering System


    Back